The Randall Museum in San Francisco hosts a large HO-scale model railroad. Created by the Golden Gate Model Railroad Club starting in 1961, the layout was donated to the Museum in 2015. Since then I have started automatizing trains running on the layout. I am also the model railroad maintainer. This blog describes various updates on the Randall Museum Model Railroad and I maintain a separate tech blog for all my electronics & software not directly related to Randall.
2019-10-06 - Layout Electrical Complexities and Surprises
Category RandallLast week, Saturday Operators ran their trains, and overall had a good session. I’m being told though that when Allen ran his UP Challenger #3977, it did a couple loops fine on the layout then he had it sitting in the yard and for some reason it would not run anymore.
Rather than relying on random conjectures, yesterday I had him bring the engine back on the layout and we investigated methodologically. First we tried the programming track, and his engine ran fine there. Then we placed it on the mainline at the Stockton Yard and it… did not run. Which is what he experienced the week before. We tried several combinations to try to isolate something. Maybe due to the NCE Controller? Nope. We placed the engine on the layout one the Napa yard and it was working fine. We then brought it back to the mainline at Stockton Yard and it would not run.
By “not running” it was interesting to see the engine cab internal light would light up, and it would make start/stop sounds. Some smoke was generated so clearly the heater element had power. But no movement and no corresponding chuffing sound.
The engine was sitting on block B21, controlled by the Valley Panel 1. Out of curiosity I turned off that block and… surprise, the engine still had lights on. Wait, what?
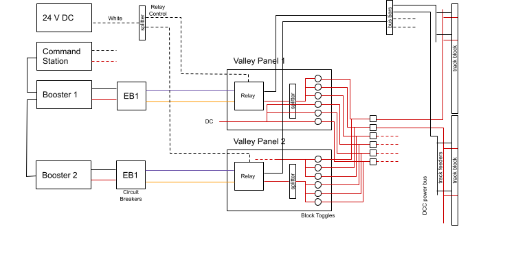
Since we have this delightfully complicated panel scheme left over from the layout DC’s era that confuses so many of our operators, I powered the block B21 from the Valley Panel 2. And ta da! The engine ran just fine, with movement and what not. When I say complicated, I mean something like this complicated wiring:
I came in today to try to elucidate this. How can an engine have some power yet not run, even when the block is turned off?
To jump to the end of this long explanation: it turns out we had not one but two issues compounding each other. One is a human error, and the other is one of these crazy electrical wiring leftovers from the DC era.
My technique to “solve” these is fairly simple. Each panel gets power from one NCE booster, via an EB1 circuit breaker. Then the power goes into a DC / DCC relay which is somewhat “useless” now since there’s no DC part any more. But here I can just pull the relay from its socket and it totally isolates a full panel from its power source. That’s a wonderful debugging tool to isolate cross-panel issues which I have used in the past and is the main reason why I keep these relays.
So in this case even when pulling the relay out of Valley Panel 1, the track still had some power, when it was supposed to not be powered anymore. Not the full power though. It measured something like 11V instead of the expected 12-14V. Enough to power basic stuff like the Searchlight Car which I modified recently to use a simple LED. So where does that power come from?
Well, after unplugging panels one by one, I finally found out that block B21 could be powered either via the Valley Panel 2, which is sensible, or via the Mountain Panel 2, which is not at all sensible. And in any case, it clearly was not powered or linked to the Valley Panel 1, which is the one we had been using all along for that. Another of these “what?!” realizations.
So let’s start here. Before, this block was clearly connected to Valley Panel 1 and now clearly it wasn’t. What could be the difference? Some broken connection? Or some toggle had been turned off somewhere, but which one?
Well, what about a mysterious toggle that none of the current operators really know about, which is located right there under the main panel that they use, and is conveniently located where all these guys load and unload their trains and move by so that they can trivially brush against the toggle and flip it without realizing they did so? Something like this, under the layout, neatly tucked out of view, with this now hilariously obsolete labeling:
I found it on the “Knob” position, which is totally wrong. It has to be on the “Radio” position. For some hilariously back-dated reason, setting this toggle on the “Knob” position totally turns off the whole Valley Panel 1, with no such indication. Did I mention the labels don’t even make any sense any more? What is “Knob”, what is “Radio”. I fully understand the historical meaning of it, but current operators probably have no clue what these were for.
Thus the cause of the failure on the spot was human error. I’m not even going to bother asking the Saturday Operators who did this. This is not a finger pointer exercise, and I’m not trying to alienate these poor folks who likely don’t even have a clue they touched that critical yet innocent looking toggle. Suffice enough to say it was changed. Instead we should focus on how we can mitigate it to prevent this from occurring again. And for that we need to understand what it does.
So I did just that, and the explanation is a bit too long for here, so if you want to understand why, I suggest you read the complete rationale behind its existence in the Layout Presentation page. It is best explained by this schema and you’ll have to read the presentation page to get the full picture:
The summary here is that “knob” means DC power comes from a local custom-made power pack, which I had since removed. And “radio” means the old-style MRC walkaround radio throttles, nothing to do with today’s wireless NCE cabs. (And yes, I do enjoy drawing these schemas, I’ll admit to that.)
How can we mitigate this and prevent this issue from reappearing? The explanation is that this toggle is obsolete and needs to be removed. Thus today I consequently also cleaned that up by having the panel powered directly by the DCC relay, bypassing the toggle. Next I will just need to physically remove that toggle too, and then I need to do the same work on the Valley Panel 2.
Next I wanted to understand how it was possible that a block that is not connected to any panel could still have some power, yet just a weak voltage. Just phrased that way, you can see where this is going. Weak voltage means there’s a resistor involved somewhere. And what if you had a leftover DC resistor network injecting a DC bias voltage in all your blocks as a left over from a long-gone Twin T track detector setup? Wouldn’t that, by definition, make powered blocks leak into unpowered ones? Well yes of course it would. And it would look exactly like that odd contraption that I described in the Layout Presentation on the Wiring page.
That is the back of the interconnection board for the Mountain Panel. There’s a similar one under the Valley Panel. The resistors are bias resistors for Twin T detectors. Although the lead DC red wire is not connected to anything that I can tell, it still means that any powered block can inject power into an unpowered block. Even across boosters. Think of the implications for a few seconds. No kidding.
A few minutes later and I solved that the easy way:
I did the same on the Valley panel side and now block B21 is properly isolated.
Now in my investigation, I found that the block B21, while supposed to be controlled by the Valley panels, was also powered when power could flow only through the Mountain panel, which is supposed to be a whole different circuit. However in this case I had even a lower voltage, I believe something around 4V. This stopped once I removed the bias resistor network on both the Valley and the Mountain sides. Which leads me to believe there is somewhere an interconnect between these two supposedly isolated power districts. I’m leaving that as an investigation for another time, if and when it becomes relevant.
The next step is to have Allen bring the UP Challenger back and continue “experimenting” with it, because it’s a fantastic engine and I love seeing it run (and even though the paraffin-based smoke fluid used on these really gives me nasty headaches, I have to admit it looks gorgeous when it is smoking.)





