The Randall Museum in San Francisco hosts a large HO-scale model railroad. Created by the Golden Gate Model Railroad Club starting in 1961, the layout was donated to the Museum in 2015. Since then I have started automatizing trains running on the layout. I am also the model railroad maintainer. This blog describes various updates on the Randall Museum Model Railroad and I maintain a separate tech blog for all my electronics & software not directly related to Randall.
2024-07-29 - Branchline Power
Category RandallOrion and I are finalizing a project I had started in 2019: repower the entirety of the branchline and, more importantly, address the polarity reverser issue.
The branchline on the Randall layout essentially acts as a very long reverse loop and can be conceptualized as being composed of 3 parts:
- The most visible part of the Brancheline is the mountain section -- the branchline connects to the mainline at Sonora via turnouts T322 and T324. This part then goes through Angel Camp (B820), the Canyon (B830), and on the other side of the mountain onto Smith Flat (B840) and finally You Bet (B860). All this part of the Branchline is dual gauge.
- The second part of the branchline is the part most people don’t get to see as it serpentines through the unscenicked back of the layout. Of note, this section contains a small coal yard, which I understand was designed by Mr. Perry. On my track map, I designate this B870 up to B890.
- The third part of the branchline is where the end of B890 meets again the mainline just after the Stockton Station at what is called the “Rodgers’ Junction”.
Up to now, the entirety of the branchline was connected to the DCC power by a Lenz LK100 polarity reverser. Since the branchline is, by design, a reverse loop, it does make sense to have a polarity reverse. However that does not justify powering the entire route via the polarity reverser -- the issue is that polarity reversers work by detecting shorts, so essentially anything that shorts the branchline, anywhere on it, triggers the polarity reverser to try to “fix” the polarity.
A better design would be to rewire the branchline such that the dual-gauge section matches the polarity of the mainline at Sonora, that the B890 block at Rodgers matches the mainline at Rodgers, and some or all of the middle part be the polarity reverser section.
So that’s what Orion and I are attempting to finish. We’re partly done, yet some notable progress has been made.
First, the polarity reverse is gone from the source DCC bus:
|
|
Explanation of the wiring above:
- DCC bus comes in via the purple/orange wires directly from the booster / circuit breaker. This connects to the terminal block on the side of the support beam.
- DCC bus then go to the relay via the top yellow/orange wires (there’s another yellow/orange pair that goes to the top, that power the Richmond yard IIRC).
- The relay is the usual arrangement we have at the layout: it used to be a DCC-vs-DC switch, but I removed or disconnected all the DC power supplies. I kept the relay in place as it makes it trivial to isolate an entire part of the layout when working on it -- we just yank the relay out of its socket.
- The DCC output of the relay goes to the red/black wires. Before, this was going through the Lenz LK100 polarity reverser. That’s the part we simply bypassed and removed.
The only issue we encountered was a short when trying to use turnout T324 to go to the mainline. This was due to a fix I did in 2019 where I “joined” the turnout T821 to the adjacent track where there was an obvious gap. So basically we undoed that work -- Orion’s opinion is that the gap was intentional, and I concur with that as it is needed for the turnout to be able to change polarity when thrown for the mainline.
This undoes the gap bridge I added in 2019 to fix a dead spot issue.
Obviously that means the potential dead block issue I experienced in 2019 can come back. It was a convenient fix but it was also the wrong fix. I’m not worried about this -- if the issue happens again, we’ll look into it and fix it. It’s very likely that the dead block issue is with a different track feeder having a bad intermittent contact.
That covered the “first part” of the branchline -- the access at Sonora up to the mountain You Bet section.
The next day we moved to powering the actual rest of the branchline. I had previously figured out the track feeder for blocks B870 and beyond, and I installed the polarity reverser on just that part of the branchline:
This takes part of the entirety of the “second part” -- all the track in the unscenicked back of the layout.
Next we need to deal with the Rodgers Junction, the part of the branchline that connects back to mainline at Stockton Station. Since we have re-powered the entirety of the route, this part has power again. With a gotcha.
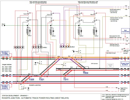
Rodgers Junction (right most track) and its power routing. |
|
The branchline meets the mainline after the Stockton Station at a couple double cross-over turnouts known as the Rodgers Junction. This part of the layout has some quite complicated power routing due to its DC origin -- a lot of the turnouts and the little connecting tracks between them change their power source depending on the alignment of the turnout(s).
In our DCC world, it means we have an interface between 2 boosters with different voltage levels, and to make things worse this interface changes location based on which turnout is thrown.
This is all unnecessarily complicated for DCC. My goal is to “indirectly simplify” all this yet without changing the core of it: if we cut the B890 branchline block in two, e.g. around the bridge, we can power the section next to the mainline using the mainline power:
- Depending on T320, power is sourced from B320 or B321, and brought to RJXBLK.
- Depending on T321, power is sourced from RJXBLK (mainine) or from B890 (branchline), and brought back to BLXBLK.
- However, if we cut B890 before branchline bridge, and then power the Rodgers’ side of B890 directly from RJXBLK, we now have BLXBLK matching RJXBLK matching either B320 or B321 from the mainline.
It’s up to us to cut B890 in two where most convenient for us, and by “most convenient” I mean the most accessible part of it.





